This website requires JavaScript.
Explore
Help
Sign In
DH4M
/
KiCad-RP-Pico
Watch
3
Star
0
Fork
0
You've already forked KiCad-RP-Pico
Code
Issues
Pull Requests
Actions
Packages
Projects
Releases
Wiki
Activity
Files
266c2b4de8de080c9f6a58f33585cce106a7513b
KiCad-RP-Pico
/
Images
/
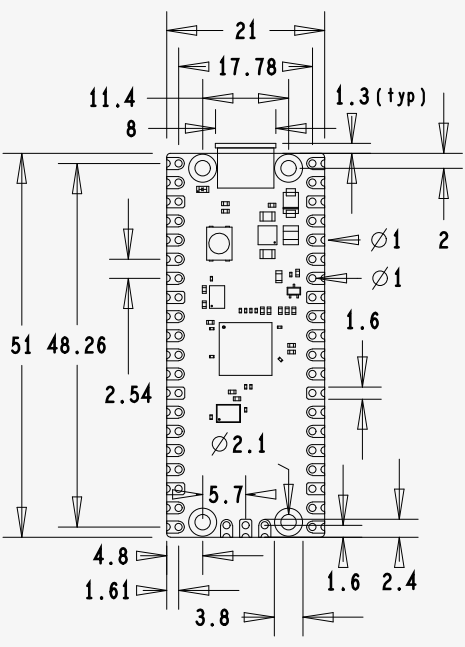
Image04.png
Nicolò Carandini
7c04c8ff26
fix image04 name
2021-08-04 17:18:50 +02:00
32 KiB
465x647px
Raw
History