This website requires JavaScript.
Explore
Help
Sign In
DH4M
/
KiCad-RP-Pico
Watch
3
Star
0
Fork
0
You've already forked KiCad-RP-Pico
Code
Issues
Pull Requests
Actions
Packages
Projects
Releases
Wiki
Activity
Files
36272afe16b0b54e7f79c355468a8b651994fb3f
KiCad-RP-Pico
/
Images
/
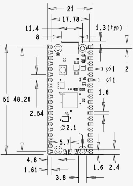
Image003.png
Nicolò Carandini
2f64ca3f45
Add readme with images
2021-02-17 08:18:04 +01:00
32 KiB
465x647px
Raw
History