Sierra Circuit - 6 Layer

Sierra Circuit

This Template consist of following
1. Schematic Template with 1 page, user can create more pages. It is ideal to keep block diagram in page1, schematic in rest of the pages. Final page should consist of revision history.
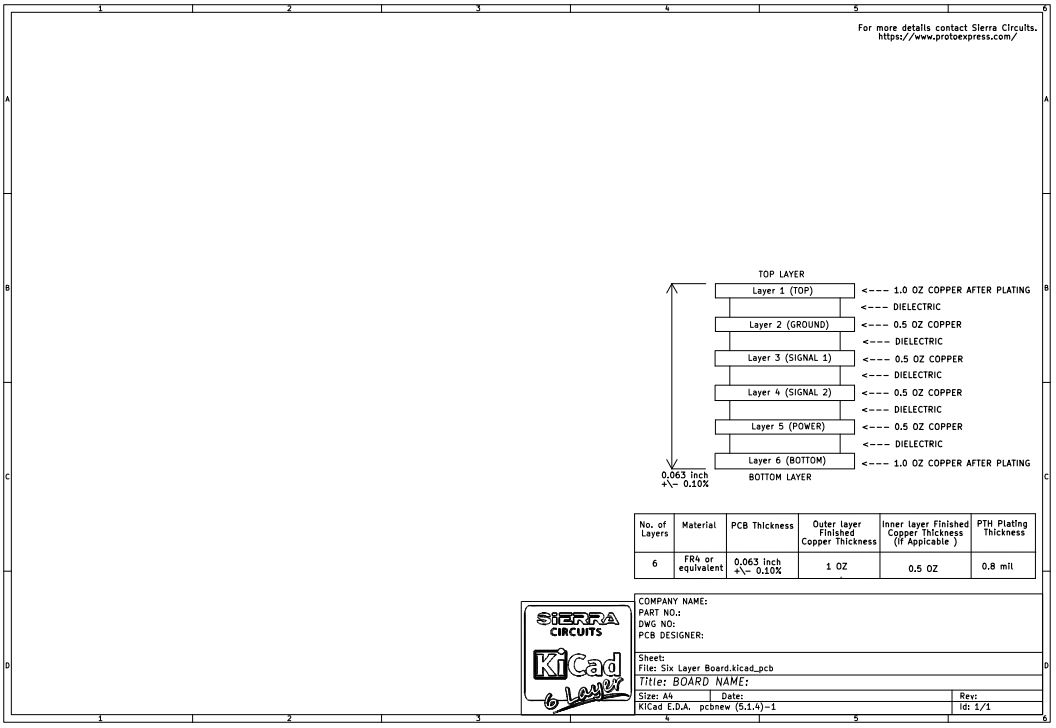
2. Default board (Layout) with Sierra Circuit rules for 6-layerboards, It consist of standard stackup, consumers can create custom stackup.


For details visit us at https://www.protoexpress.com or CALL US (800) 763.7503 Template Information & Rules are as follows.

Schematic Sample
Schematic


Layout Sample
layout


Design Rules details
Layers


Text & Graphics


Design Rules


Net Classes


Trace & Vias


Solder Mask & Paste